产品简介
多功能集合一体的N8900蓝牙解码芯片,完美的集成了MP3、WAV 的硬解码芯片,支持蓝牙5.0协议、FM、录音等,存储器支持TF卡驱动、flash、U盘,支持电脑直接更新存储器 的内容,支持FAT16、FAT32 文件系统,支持flash,TF卡,U盘。通过简单的UART串口指令或一线串口指令或者adkey按键即可完成播放指定的音乐,以及如何播放音乐等功能,蓝牙播放,播放音乐,无线收音,录音功能,无需繁琐的底层操作,音质优美,使用方便,稳定可靠是此款产品的最大特点。另外该芯片也是深度定制的产品,专为自定义语音播放领域开发的低成本解决方案,可以根据不同的功能需要选择对应的型号,是一款精简版的也是性价比非常高的蓝牙MP3芯片。
芯片特性

控制模式
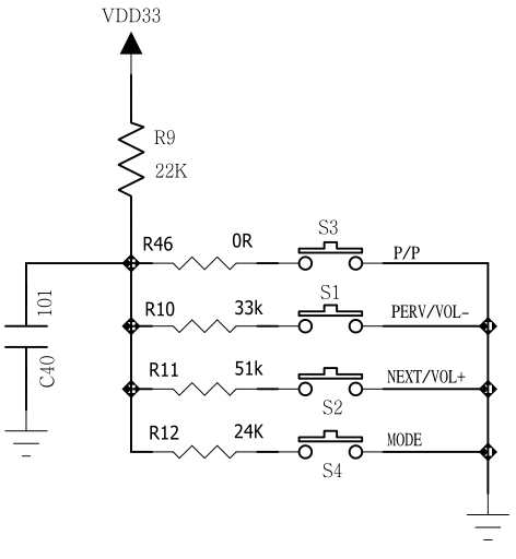
ADKEY按键控制模式
N8900蓝牙芯片采用的ADKEY按键控制模式取代了传统了矩阵键盘的接法,这样做的好处是充分利用了MCU 越来越强大的AD功能。设计简约而不简单,模块默认配置1 个AD 口,4个按键的阻值分配,如果使用在强电磁干扰或者强感性、容性负载的场合,请参考我们的“注意事项”。
ADKEY按键控制模式参考图

MUC一线串口控制模式
N8900蓝牙芯片支持单片机模拟一线串口控制,该控制方式简单方便,适用于任何单片机。
一线串口MCU只需要一根线就可以控制了,由头码和占空比组码,先发低位,头码拉低3ms以上,平时保持高。总共8位。时序占空比约为1:3.时序范围介于300us:900us到
1000us:3000us之间。误差容许10%。
一线串口时序图

应用范围
N8900蓝牙芯片可适于各种语音提示的场合,如:血压计、考勤机、血糖仪、医疗器械、按摩器、足浴盆、门铃提示器、语音玩具、语音报警器、汽车电子、小家电、念佛机、游戏机、工艺礼品、智能锁(指纹锁,密码锁,刷卡锁)、扫码机等等。


全国服务热线:400-8616-826
全国服务热线


